Керамічна плитка та сантехніка

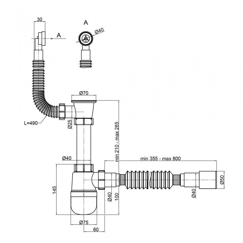
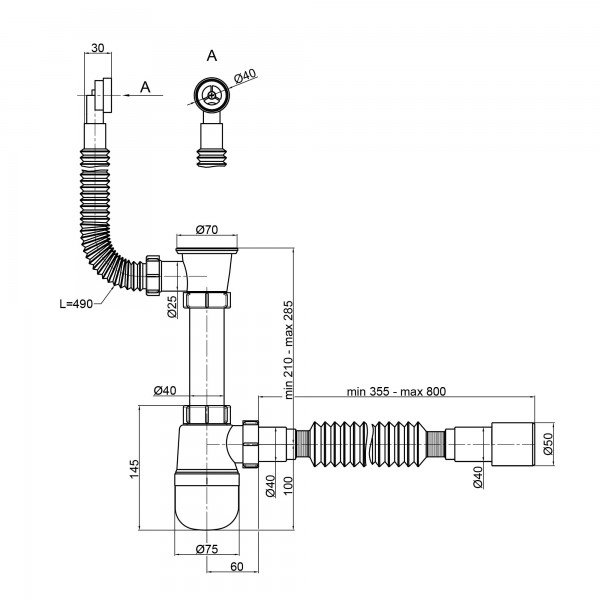
Сифон для кухонної мийки LK12 (60 08 E004 00) випуск 70 мм, колбовий з круглим переливом, з пробкою (вихід гофра 40/50 мм) Lidz

Код товару: 68206
Сифони
Бренд:
LIDZ

Ціна:
250 грн
Кількість:
В наявності
Тип: кухонний
Сифон для кухонної мийки Lidz LK12 має вигляд колби, виготовлений із пластику білого кольору. Виріб має гладку внутрішню поверхню, що перешкоджає накопиченню бруду на стінках. Резервуар колби легко знімається, тому його очищення від осілих твердих частинок не складе великих клопотів. Гофрований вихід дає можливість змінювати довжину та кут труби. Завдяки зливному отвору для переливу можна уникнути переповнення миття водою. Сифон комплектується корком.

Артикул: LK12
Бренд: Lidz
Вага брутто, кг: 0,38
Вага нетто, кг: 0,3
Вид закриву: Мокрий (без мембрани)
Габарити упаковки (ШхГхВ), мм: 300х85х420
Габаритні розміри виробу (ШхГхВ), мм: 300х85х420
Гарантія: 5 років
Додаткові характеристики: Довжина переливу: 490 мм. Довжина гофрованої труби: 355 – 800 мм.
Діаметр випуску, мм: 70
Діаметр патрубка в каналізацію, мм: 50
Колір: Білий
Комплектація: Сифон, випуск, перелив.
Країна реєстрації бренду: Польща
Країна-виробник: Польща
Кількість вантажних місць: 1
Матеріал: Пластик / Нержавіюча сталь
Модель: E004 00
Наявність переливу: Є
Наявність ревізії: Є
Призначення: Для кухонної мийки
Підключення до пральної машини: Немає
Тип виробу: Сифон
Тип відкриття/закриття зливного отвору: Механічний (ручний)
Тип сифона: Колбовий (пляшковий)


АДРЕСА

Софіївська Борщагівка вул. Київська, 74а

ГРАФІК РОБОТИ

пн-пт з 10.00 до 18.00

сб з 10.00 до 15.00

Неділя по домовленності

Ми в соціальних мережах

Facebook icon Instagram icon Tiktok icon